proportional valves
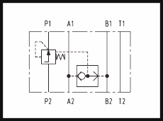
Proportional Directional Control Valves
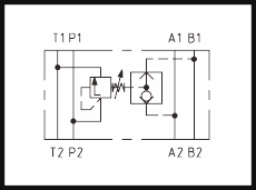
Proportional Directly Operated Pressure Relief Valves
Proportional Pilot Operated Pressure Relief Valves
Proportional Directly Operated Pressure Reducing Valves
Proportional Pilot Operated Pressure Reducing Valves
2 Way Pressure Compensators
3 Way Pressure Compensators
Electronic Controllers for Proportional Valves